Friday, September 22, 2017

Materi Uji Kommpetensi Milling CNC 2017-2018





Operating Sheet UK Milling CNC
Nama               : ……………………….
Kelas /No        : ……………………….
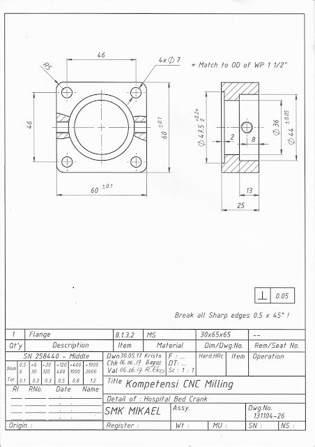
Job                   :
Material           : MS
Program Dir    : Memory Card => UKCNC1718

No
Langkah kerja
Alat cekam / Alat bantu
Alat potong
N
F
Alat ukur
1
A. Setting Z Tool
1. H1 untuk Ø20mm insert ? setting di meja dengan Z center, counter set di  setting Z = 0









 

 
2. Setting Z untuk Ø63mm face mill, setting di meja, lihat nilai counter set sumbu Z, nilai input ke offset length pada tool no.2








 
 


3. Setting Z untuk Ø16mm HSS, setting di meja dengan Z center. Lihat nilai counter set sumbu Z, inputkan pada offset tool no.3




















 
 


















4. Setting Z untuk drill Ø7mm, setting di meja dengan Z center. Lihat nilai counter set sumbu Z, inputkan pada offset tool no.4








 




5. Setting Z untuk NC Ø8mm, setting di meja dengan Z center. Lihat nilai counter set sumbu Z, inputkan pada offset tool no.5








 





-
-
-

2
A. Proses 1
1. Membuat Clamping Side.
     Setting X0 & Y0 pada center dengan centerfix. Setting Z0 dengan Ø20mm insert top of stock simpan di G54



 


2. Jalankan program 01-CLAMP.NC








Vise 4”
Centro Fix







EMC Æ20
Insert







2350







950







Vernier Caliper
3.
B. Proses 2
 Balik benda kerja, setting dengan X0 & Y0 pada center benda kerja dengan centerfix simpan di G54, kemudian setting Z0 pada permukaan bendakerja, dan ditambah offset -1 mm simpan di G54












2. Ganti tool  dengan tool face mill Ø63mm,

3. Jalankan program 02-FACING-1mm

4. Ganti tool dengan endmill Ø20mm insert

5. Jalankan program 03-KONTUR 60x60

   6. Jalankan program 04-DIAMETER36 feed override 50%

   7. Jalankan program 05-DIAMETER44 feed override 50%

   8. Ganti tool dengan endmill Ø66mm HSS

   9. Jalankan program 06-60x60FINISH

   10. Jalankan program 07-diameter 44FIN

   11. Ganti tool dengan NC Ø8mm

   12. Jalankan program 08-PREDRILL4xD7

   13. Ganti Tool dengan DRILL Ø7mm

   14. Jalankan program 09-DRILL 4xD7

15. Lepas benda kerja, setting Z0 dengan endmill Ø20mm insert, setting pada permukaan pararel block, lalu dikurangi -25



 
 


   16. Pasang benda kerja kira-kira ditengah,
ganti tool dengan facemill Ø63mm

   17. Jalankan program 10-FacingT25



18. Debur di tanggem setting X0 & Y0 pada center benda kerja dengan center fix



 
 

   19. ganti tool dengan endmill Ø16mm HSS


   20. jalankan Program 11-DIAMETER47,5

21. Lepas benda, cekam pada tebal 25mm, Ø 44mm menghadap operator
   22. Setting X0 & Y0 sesuai jarak lubang



 
 

   23. Setting Z0 pada permukaan benda kerja  dengan Ø20mm insert, lalu ganti tool dengan NCØ8

   24. input program 12-PREDRILLM8 dengan MDI ,lalu  jalankan

N100 G21 G28 Z0.
N102 G0 G17 G40 G49 G80 G90
N106 G0 G90 G54 X0. Y0.  S1145 M3
N108 G43 H5 Z5.
N110 G99 G81 Z-2. R5. F57.3
N112 G80
N114 M5
N116 G91 G28 Z0.
N118 G28 X0. Y0.
N120 M30

   25. Ganti tool dengan Drill Ø7

   26. Input Program 13-DRILLM8 pada MDI  , Jalankan
N100 G21 G28 Z0.
N102 G0 G17 G40 G49 G80 G90
N106 G0 G90 G54 X0. Y0.  S1136 M3
N108 G43 H4 Z5.
N110 G99 G83 Z-15. R5. Q2. F68.2
N112 G80
N114 M5
N116 G91 G28 Z0.
N118 G28 X0. Y0.
N120 M30
27. Lepas Benda Kerja, balik benda kerja, setting sumbu x saja ditengah benda kerja
28. ganti tool dengan drill NCØ8mm, input program 12-PREDRILL lalu jalankan
   29. Ganti Tool dengan drill Ø7, input program 13-DRILLM8, jalankan







Vise 4”
Centro Fix















EMC Æ20
Insert





Face Mill Æ63
Insert











EMC Æ20
Insert





EMC Æ16 F
HSS






NC Æ8





TD Æ7
























Face Mill Æ63
Insert












EMC Æ16
HSS































NC Æ8








2350








1250














2350







700








1000





1000

























1250
















700
































1145







950








600














900







200








60





60

























600
















200
































57







Vernier Caliper
            Asesor berhak menghentikan jalannya Asesmen Kompetensi jika :                                                                         
  Peserta mengabaikan ketentuan K3 selama pengujian di bengkel praktik.
  Kesalahan pengesetan titik nol (referensi benda kerja) 2x.
  Melakukan tindakan yang ceroboh selama pengesetan sehingga mengakibatkan kerusakan mesin, alat potong dan alat bantu proses.
  Dalam waktu 30 menit belum mulai proses start program
  Waktu proses pengerjaan maksimal 120 menit.